0731-84023108
Number of views:
1000
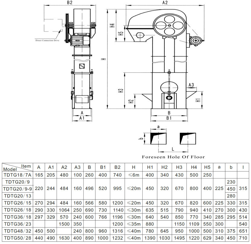
Model TDTG Series Bucket Elevator
Retail price
0.0
元
Market price
0.0
元
Number of views:
1000
Product serial number
Quantity
-
+
Stock:
0
Product details
Parameters

Features:
Machine materials aregood, smooth operation and durable
Previous
None
Product inquiry
Contact information
Basic information
Method of contact and profession
Company information
Online customer service
Customer service hotline
+8673184032889 +8613467696115
+8673184032889 +8613467696115
Contact us
Online Message
客戶留言
Description:
All rights are reserved by Hunan Xiangliang Machinery Manufacture Co., Ltd ALL RIGHTS RESERVED Powered by www.300.cn Changsha Mangager