0731-84023108
Number of views:
1000
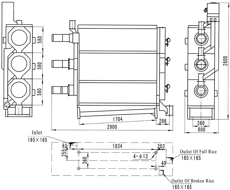
Model MMJX50 Series Length Grader
Retail price
0.0
元
Market price
0.0
元
Number of views:
1000
Product serial number
Quantity
-
+
Stock:
0
Product details
Parameters

Features:
- It can be combined in series or in parallel based on capacity and difference of choice
- Not easily damage surface glossiness of rice,which can control random for broken rice content
Technical parameter:
|
Model |
Capacity(t/h) |
Power(kw) |
Weight(kg) |
External Dimension(mm) |
|
MMJX50×1 |
0.8~1.0 |
0.75 |
280 |
2900×800×1260 |
|
MMJX50×2 |
1.6~2.0 |
0.75×2 |
420 |
2900×800×1900 |
|
MMJX50×3 |
2.4~3.0 |
0.75×3 |
680 |
2900×800×2600 |
|
MMJZ60×2 |
1.5~2.0 |
0.75×2 |
550 |
2870×736×1900 |
|
MMJX60×3 |
2.5~3.0 |
0.75×3 |
1000 |
3130×736×2530 |
|
MMJX71×3 |
4~5.0 |
1.5×3 |
1750 |
3430×980×2710 |
Previous
Model MMPS Series Rice Plansifter
Next
None
Product inquiry
Contact information
Basic information
Method of contact and profession
Company information
Online customer service
Customer service hotline
+8673184032889 +8613467696115
+8673184032889 +8613467696115
Contact us
Online Message
客戶留言
Description:
All rights are reserved by Hunan Xiangliang Machinery Manufacture Co., Ltd ALL RIGHTS RESERVED Powered by www.300.cn Changsha Mangager