0731-84023108
Number of views:
1000
Model NF15A Air-Jet Whitener
Retail price
0.0
元
Market price
0.0
元
Number of views:
1000
Product serial number
Quantity
-
+
Stock:
0
Product details
Parameters

Features:
It combines with blower, special precision to adjust rice discharge nozzle, whitening room can be adjusted up to down, and has good effect for milled rice
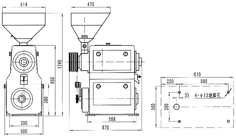
Technical parameter:
|
Model |
Capacity(t/h) |
Power(kw) |
Weight(kg) |
External Dimension(mm) |
|
NF15A |
1.0~1.8 |
11~22 |
250 |
870×500×1240 |
Product inquiry
Contact information
Basic information
Method of contact and profession
Company information
Online customer service
Customer service hotline
+8673184032889 +8613467696115
+8673184032889 +8613467696115
Contact us
Online Message
客戶留言
Description:
All rights are reserved by Hunan Xiangliang Machinery Manufacture Co., Ltd ALL RIGHTS RESERVED Powered by www.300.cn Changsha Mangager