0731-84023108
Number of views:
1000
Model TQSX Series Suction Type Specific Gravity De-Stoner
Retail price
0.0
元
Market price
0.0
元
Number of views:
1000
Product serial number
Quantity
-
+
Stock:
0
Product details
Parameters

Features:
- It has special structure with unique selection room,which ensure there isn't grains within stones,especially there isn't brown rice within stones
- It has special structure with sieve surface,which save more air volume
- Airdraft with negative pressure,less raise dust, easy operation
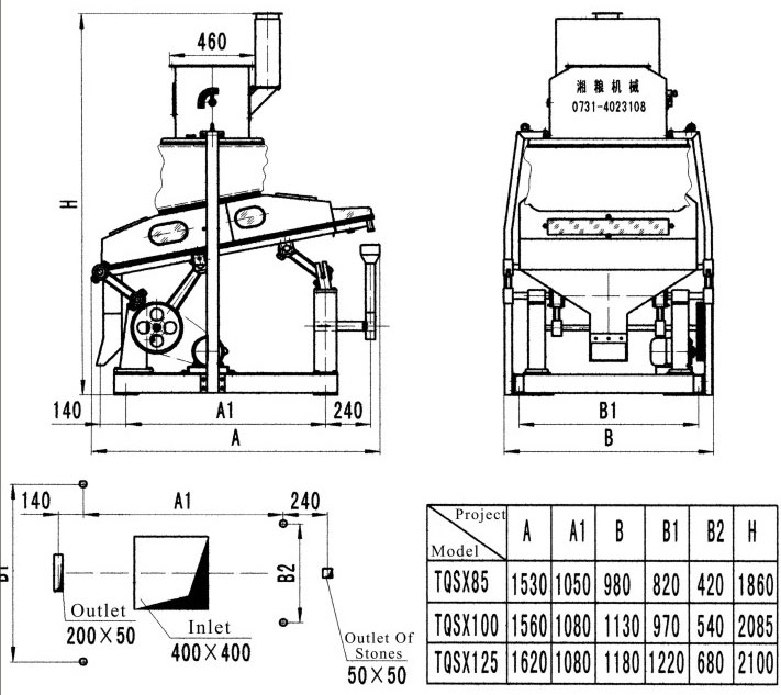
Technical parameter:
|
Model |
Capacity(t/h) |
Power(kw) |
Weight(kg) |
External Dimension(mm) |
|
TQSX85 |
3.0~5.0 |
0.75 |
350 |
1530×980×1860 |
|
TQSX100 |
5.0~6.0 |
0.75 |
420 |
1560×1130×2085 |
|
TQSX125 |
6.0~8.0 |
1.1 |
500 |
1620×1180×2100 |
|
TQSX168 |
8.0~10 |
1.5 |
560 |
1514×1790×1809 |
Previous
None
Product inquiry
Contact information
Basic information
Method of contact and profession
Company information
Online customer service
Customer service hotline
+8673184032889 +8613467696115
+8673184032889 +8613467696115
Contact us
Online Message
客戶留言
Description:
All rights are reserved by Hunan Xiangliang Machinery Manufacture Co., Ltd ALL RIGHTS RESERVED Powered by www.300.cn Changsha Mangager