0731-84023108
Model SCY Цилиндрический предварительный очиститель

особенности
Эта машина используется для удаления крупных примесей из необмолоченного зерна. Доступны различные сита с круглыми и квадратными отверстиями. Его можно комбинировать с машиной для очистки зерна и удаления .
Технический параметр
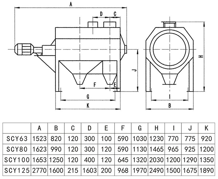
|
Модель |
Capacity(t/h) Производительность (тонн в час) |
Мощность (кВт) |
Вес (кг) |
Внешние размеры (мм) |
|
SCY63 |
5~10 |
0.75 |
500 |
1525×820×1260 |
|
SCY80 |
12~15 |
1.1 |
620 |
1650×1000×1500 |
|
SCY100 |
15~20 |
1.5 |
750 |
1700×1250×2100 |
|
SCY125 |
1.5 |
900 |
2740×1600×2490 |
запрос на продукцию
Информация о продукте
Контактная информация
смежная продукция
связаться с нами
Тел :+8673184032889 +8618229481188 +8618807417542
WhatsApp:+8618229481188 +861887417542
Электронная почта:xljx@xljxc.cn
Офиц. уч. записи
Область сообщений
Право на окончательную интерпретацию этого веб-сайта принадле Powered by www.300.cn Changsha Mangager